|
|
办公地址:襄阳市春园西路后贾洼工业园
|
|
|
|
|
|
电话:88888888
|
|
传真:88888888
|
|
|
|
|
基本参数
|
|
|
负载种类
|
三相高压鼠笼式异步电机、同步电机
|
|
交流电压
|
3000---10000VAC
|
|
工作频率
|
50HZ/60HZ±2HZ
|
|
相 序
|
GYRQ 允许在任何相序下工作(可通过参数设定)
|
|
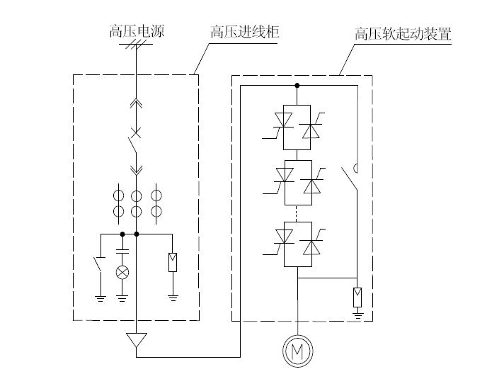
主回路组成
|
(12SCRS、18SCRS、30SCRS 视型号而定)
|
|
旁路接触器
|
具有直接起动容量的接触器
|
|
控制电源
|
AC220V±15%
|
|
瞬时过电压保护
|
dv/dt 吸收网络
|
|
起动频次
|
1—6 次(每小时)
|
|
保护功能
|
|
|
缺相保护
|
在起动或运行过程中,断开主电源的任意相
|
|
运行过流保护
|
运行过流保护设定:20~500%Ie
|
|
相电流不平衡保护
|
相电流不平衡保护:0~100%
|
|
过载保护
|
过载保护级别:10A、10、15、20、25、30
|
|
欠载保护
|
欠载保护级别:0~99%
欠载保护动作时间:0~250S
|
|
起动超时
|
起动时间限制:0~120S
|
|
过压保护
|
主电源电压高于额定值的120%时,过压保护
|
|
欠压保护
|
主电源电压低于额定值的70%时,欠压保护
|
|
相序保护
|
允许在任何相序下工作(可通过参数设定)
|
|
接地保护
|
接地电流大于设定值时保护
|
|
通讯说明
|
|
|
通讯协议
|
Modbus RTU
|
|
通讯接口
|
RS485
|
|
网络连接
|
每台GYRQ 可与32 台GYRQ 设备连网通讯
|
|
功 能
|
通过通讯接口可以观察运行状态、编程
|
|
操作界面
|
|
|
LCD 显示
|
LCD(液晶)显示/触摸屏显示
|
|
语 言
|
中、英文
|
|
键 盘
|
6 个触摸式薄膜按键
|
|
仪表显示
|
|
|
主电源电压
|
显示三相主电源电压
|
|
三相电流
|
显示三相主回路电流
|
|
数据记录
|
|
|
故障记录
|
记录最近15 次故障信息
|
|
起动次数记录
|
记录本装置的起动次数
|







